На главную Насосы дренажные погружные Гном
Насос ГНОМ ГМС Насосы
www.hms-pumps.ru

Россия



О компании
Насосы ГНОМ 50-25, 53-10, 10-6, 10-10Д

Электронасосы центробежные погружные моноблочные типа Гном предназначены для откачивания загрязненных вод температурой до 35ºС, в исполнении Тр – до 60 ºС, с плотностью до 1100 кг/м³, с содержанием твердых механических примесей до 10 % по массе с плотностью твердых частиц не более 2500 кг/м³ и максимальным размером до 5 мм.
Индекс Д - насос Гном с датчиком уровня (поплавковым выключателем), без индекса - насос Гном без датчика уровня.
Электронасосы выпускаются в однофазном исполнении на напряжение 220 В и в трехфазном исполнении на напряжение 380 В.
Режим работы продолжительный. Рабочее положение - вертикальное. Не допускается работа в неполностью погруженном состоянии (приводит к перегреву двигателя). Монтаж - стационарный, с жестким трубопроводом, либо мобильный - с гибким напорным рукавом.

Насосы Гном применяются:
для перекачивания чистых и загрязнённых жидкостей в ЖКХ, водоснабжении и др. отраслях;
для перекачивания горячей (чистой и загрязнённой) воды при авариях ЖКХ;
в системах дренажа и водозабора;
для бытового использования: полива, водоснабжения, перекачивания канализационных стоков.

По вопросам наличия, стоимости и другим, пожалуйста, обращайтесь к менеджерам ООО "Насоскомплект-М".
Насосы ГНОМ других производителей: Ампика (РФ/Китай)
+Корпус двигателя из толстостенной трубы, исключающий деформацию и разгерметизацию при грубом обращении.
+Торцовые уплотнения ведущих мировых производителей, повышающие надёжность насосов.
+Изностойкое рабочее колесо открытого типа


Схема установки (Гном Д)

Схема установки дренажных насосов

Как работает поплавковый выключатель? (Гном Д)

Как работает поплавковый выключатель

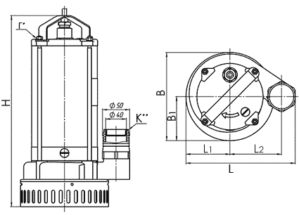
Габаритные размеры

Tab 1

Размеры насосов ГНОМ 6-10-16 Модель H L L1 L2 B B1
Мини Гном 7-7, 220В 360 210 81 95 162 81
Мини Гном 7-7Д, 220В
Гном 10-6, 220В
Гном 10-6Д, 220В
Гном 6-10, 220В
Гном 6-10Д, 220В
Гном 10-10, 380В
Гном 10-10Д, 220В 380
Гном 10-10, 220В
Гном 10-10Тр, 380В
1Гном 10-6Д, 220В 350 220 90 95 180 90
1Гном 6-10Д, 220В
1Гном 10-10Д, 220В 370
1Гном 10-10, 380В
Гном 16-16, 380В 420 245 90 115 180 85
Гном 16-16 Тр, 380В
Гном 16-16, 220В 450
Гном 16-16Д, 220В

Tab 2

Tab 3

Модель H L L1 L2 B B1 D d Dy D1
Гном 40-25 120 430 300 120 240 115 130 13 78 89
Гном 53-10 115 500 370 155 310 135 150 18 100 108
Размеры насосов ГНОМ 6-10-16

Tab 4

Модель H H1 H2 L L1 L2 B B1 E
Гном 50-25 665 120 270 430 300 120 240 115 265
Гном 100-25 730 160 310 490 355 145 290 135 295
Размеры насосов ГНОМ 6-10-16

Графики производительности



Мини Гном 7-7
Гном 6-10
Гном 10-6
Гном 10-10
Гном 16-16



Гном 25-20
Гном 40-25
Гном 50-25
Гном 53-10
Гном 100-25



Вверх

Технические характеристики:
Модель Сеть Подача
Напор
Мощность Ток Масса,
б/кабеля
Диаметр
подсоед. 
Модель Сеть Подача
Напор
Мощность Ток Масса Диаметр
Мини Гном 7-7 1~220 В 17 м³/ч 17 м. 0,6 кВт 13,0 А 015 кг 050 мм 
Мини Гном 7-7Д
с поплавком
1~220 В 17 м³/ч 17 м. 0,6 кВт 13,0 А 015 кг 050 мм
Гном 10-6 1~220 В 10 м³/ч 06 м. 0,6 кВт 13,0 А 015 кг 050 мм
Гном 10-6Д
с поплавком
1~220 В 10 м³/ч 06 м. 0,6 кВт 13,0 А 015 кг 050 мм
Гном 6-10 1~220 В 06 м³/ч 10 м. 0,6 кВт 13,0 А 015 кг 050 мм
Гном 6-10Д
с поплавком
1~220 В 06 м³/ч 10 м. 0,6 кВт 13,0 А 015 кг 050 мм
Гном 10-10
1~220 В 28 м³/ч 17 м. 1,1 кВт 13,0 А 116 кг 050 мм
Гном 10-10Д
с поплавком
1~220 В 10 м³/ч 10 м. 1,1 кВт 02,0 А 116 кг 050 мм
Гном 10-10 3ф.
3~380 В 10 м³/ч 10 м. 1,1 кВт 02,0 А 015 кг 050 мм
Гном 10-10Тр
3~380 В 10 м³/ч 10 м. 1,1 кВт 02,0 А 116 кг 050 мм
Гном 16-16
1~220 В 16 м³/ч 16 м. 2,2 кВт 02,0 А 28 кг 050 мм
Гном 16-16Д
с поплавком
1~220 В 16 м³/ч 16 м. 2,2 кВт 02,0 А 28 кг 050 мм
Гном 16-16 3ф.
3~380 В 16 м³/ч 16 м. 2,2 кВт 02,0 А 224 кг 050 мм
Гном 16-16Тр
3~380 В 16 м³/ч 16 м. 2,2 кВт 02,0 А 224 кг 050 мм
Гном 25-20 3ф.
3~380 В 25 м³/ч 20 м. 3,0 кВт 26,1 А 332 кг 280 мм
Гном 25-20 Тр
3~380 В 25 м³/ч 20 м. 3,0 кВт 26,1 А 332 кг 280 мм
Гном 40-25 3ф.
3~380 В 40 м³/ч 25 м. 5,5 кВт 11,0 А 459 кг 178 мм
Гном 40-25Тр
3~380 В 40 м³/ч 25 м. 5,5 кВт 11,0 А 459 кг 178 мм
Гном 53-10 3ф.
3~380 В 53 м³/ч 10 м. 4,0 кВт 38,5 А 563 кг 9100 мм
Гном 53-10Тр
3~380 В 53 м³/ч 10 м. 4,0 кВт 38,5 А 563 кг 9100 мм
Гном 50-25 3ф.
3~380 В 50 м³/ч 25 м. 7,5 кВт 16,0 А 672 кг 9100 мм
Гном 50-25Тр
3~380 В 50 м³/ч 25 м. 7,5 кВт 16,0 А 776 кг 9100 мм
Гном 100-25 3ф.
3~380 В 100 м³/ч 25 м. 911,0 кВт 21,0 А 8112 кг 9100 мм
Гном 100-25Тр
3~380 В 100 м³/ч 25 м. 911,0 кВт 21,0 А 9120 кг 9100 мм
Возможна комплектация рукавами (прайс)
Класс нагревостойкости: F Пусковое устройство в комплекте (1~220 В) Класс защиты: IPX8
Макс. темп.: 35ºC / для Тр 60ºC Работа в автоматическом режиме (индекс Д) Длина кабеля: 10м.
Инструкция Гном 6/7/10/16
Инструкция Гном 25/40/50/53/100

Вверх

На главную Тел./факс: (017) 342-42-86, 276-02-47;
Моб.: (029) 319-42-86 (Velcom); (025) 788-39 74 (Life)
Skype: Nasoskomplekt
nacoc@mail.ru
г. Минск, ул, Асаналиева,27, ком. 14 (схема проезда)
ЗАКРЫТЬ
ГМС Насосы
Информация о холдинге ОАО "Группа ГМС"

Здание заводоуправления

О Группе ГМС

ОАО «Группа ГМС» - крупный многопрофильный холдинг, обладающий одним из самых мощных научно-производственных потенциалов в области разработки и производства насосного, компрессорного и блочно-модульного оборудования для различных отраслей промышленности: нефтегазовой отрасли, энергетики, трубопроводного транспорта, водного хозяйства и ЖКХ.  Важным направлением деятельности Группы является сооружение объектов «под ключ» и комплексное обустройство объектов нефтегазового комплекса, водоснабжения и водоотведения.  Сегодня Группа ГМС это: один из признанных лидеров в насосостроении и производстве блочного-модульного оборудования; четыре подразделения по основным направлениям деятельности:  - дивизион «Промышленные насосы»; - бизнес-единица «Нефтегазовое оборудование»; - бизнес-единица «ГМС Компрессоры»;  - бизнес-единица «ГМС Инжиниринг»;  более 17 000 сотрудников; клиенты — ведущие нефтегазовые, энергогенерирующие компании и промышленные предприятия России, стран СНГ и дальнего зарубежья.

Многолетний опыт и лидерство

Более 60 лет "ГМС Насосы" (до 26.08.2010 ОАО "Ливгидромаш" ) является одним из лидеров российского рынка насосостроения.

Репутация компании подтверждается ее многочисленными наградами в различных рейтингах: "1000 лучших предприятий и организаций России", "100 лучших товаров России", "Лига Лучших", "Лучшее предприятие машиностроения и металлообработки", "За инновации в инвестиции будущего", "Живой поток", "Добросовестный поставщик" , "100 лучших организаций России. Экология и экологический менеджмент" и др.

Широкий ассортимент насосов

"ГМС Насосы" осуществляет разработку и производство более 1000 типоразмеров насосов для различных отраслей промышленности: нефтегазовой отрасли, тепловой и атомной энергетики, водного хозяйства и ЖКХ, судостроения, химической, металлургической, горнодобывающей и других отраслей. Современный научно-технический центр и мощная производственная база позволяют "ГМС Насосы" обеспечивать потребителей качественным, надежным и энергоэффективным насосным оборудованием. Начиная с 2001 г. на предприятии действует система менеджмента качества, соответствующая требованиям международного стандарта ISO 9001.

Интеграция и партнерство

С 2003 г. "ГМС Насосы" входит в структуру международного холдинга Группу ГМС.

Группа ГМС является одним из крупнейших в России и СНГ производителей насосного, компрессорного и нефтегазового оборудования. Важным направлением деятельности Группы является сооружение объектов «под ключ» и комплексное обустройство объектов нефтегазового комплекса, водоснабжения и водоотведения. В структуру Группу входят 19 производственных, научно-исследовательских, проектных и инжиниринговых компаний, расположенных на территории России, Украины, Беларуси и Германии. Вхождение "ГМС Насосы" в структуру холдинга позволило предприятию нарастить технические и производственные возможности за счет реализации программ по модернизации производства и участия в комплексных российских и международных проектах Группы.

Большие производственные возможности

Современная производственная база завода обеспечивает полный цикл производства насосов высокого качества.

В структуру "ГМС Насосы" входит не только крупный производственный комплекс (литейное, кузнечно-прессовое, механосборочное, термическое, инструментальное, гальваническое производства), но и современная экспериментальная база, различные испытательные лаборатории. Руководством "ГМС Насосы" системно реализуется политика модернизации производственных мощностей. Ежегодно направляются инвестиции на закупку современного оборудования и освоение новых производственных технологий.  На всех стадиях производства ведется постоянный контроль качества. Качество каждого этапа производства обеспечивается соблюдением процедур системы менеджмента качества.

Активная инновационная деятельность

Мы имеем собственный научно-технический центр и более чем 50-летний опыт активной и успешной инновационной деятельности.

Многолетний тандем производства и науки позволил достичь значительных результатов : создана широкая номенклатура насосного оборудования, сформирован мощный научный потенциал из высококвалифицированных и опытных  специалистов, создана современная экспериментально-исследовательская база, внесен значительный вклад в развитие отечественной науки. Сегодня "ГМС Насосы"  успешно продолжает проводить инновационную деятельность по основным ее направлениям: разрабатывает новые и модернизирует существующие насосы, внедряет новые технологии на всех стадиях проектирования и производства.

Широкое географическое присутствие

География поставок насосного оборудования "ГМС Насосы" охватывает большинство регионов России,  а также страны Европы, Азии, Африки и  Южной Америки. Для удобства наших клиентов сформирована широкая дилерская и сервисная сеть: более 70 официальных  дилеров и более 30 сервисных центров  на территории России, СНГ и Балтии.

Развитая сервисная сеть

Сервисная сеть "ГМС Насосы"  имеет широкую географию  - более 30 сервисных центров на территории России и ближнего зарубежья.

"ГМС Насосы" предоставляет гарантийные обязательства  на послепродажное обслуживание продукции. Каждый сервисный центр прошел процедуру тщательного обследования и аттестации, имеет всю необходимую техническую, информационную и квалификационную базы.  Для ремонта используются только оригинальные запасные части, как гарант качества и надежности.
Источник - www.hms-pumps.ru